Address 
304 North Cardinal 
St. Dorchester Center, MA 02124
Work Hours
Monday to Friday: 7AM - 7PM
Weekend: 10AM - 5PM
Address 
304 North Cardinal 
St. Dorchester Center, MA 02124
Work Hours
Monday to Friday: 7AM - 7PM
Weekend: 10AM - 5PM








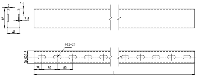
Solar mounting galvanized steel rails provide a strong structure for PV modules moounting.
They secure the solar panels and hold them strongly.
High quality HDG Q235, with the performance of high load-bearing, wind resistance,ensure the safety of solar panels.

Galvanized Steel Ground Mounting System is suitable for large-scale and utility-scale solar PV power plant. Main components are made of hot-dip galvanized steel, with good performance of structure strength, stability and anti-corrosion, compatible with varied solar modules. Patented and certified solar system design ensure projects safety and quick installation.




We support customised packaging to maximise the protection of your goods and hand them over to you in perfect condition.

Generally speaking, express delivery (FedEx, UPS, DHL, etc.) is 6-7 working days after delivery, railway is about 35 days after departure, and sea freight depends on the specific region, but basically takes more than a month.

